VersiStart III (9A~45A)

Features:
  • three-phase controlled soft starter
  • controlled by microcontroller
  • optimized soft start and current control
  • connection in the motor delta winding (cost saving via smaller rating)
  • current and torque reduction during acceleration
  • easy mounting, for snap-mounting on 35 mm standard rail
  • integrated bypass relay
  • parameterization by means of potentiometers
  • no mains neutral conductor (N) required
  • economically priced substitute for star-delta starters
  • spring-loaded terminals
  • heat sink temperatur monitoring
  • compact design, 45mm up to 25A and 52,5mm at 45A
  • degree of protection IP20
  • motor protection
  • thermal device protection
Function:
  • soft acceleration and deceleration
  • potential-free control input for soft acceleration and deceleration
  • separately adjustable parameters accel. time, start voltage, decel. time, current limiting, rated device current and tripping class
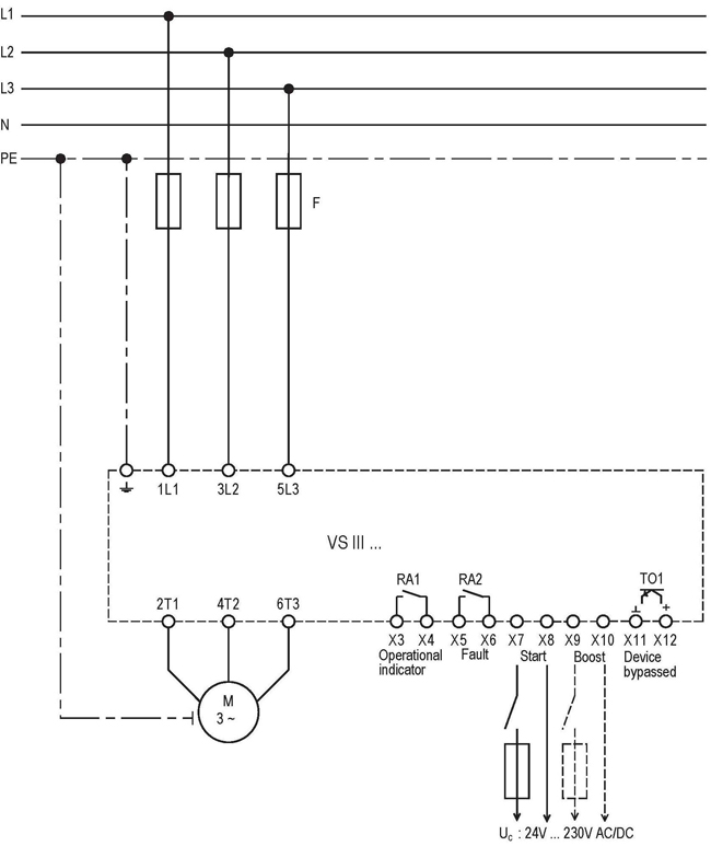
  • boost-start selectable
  • potential-free relay output for operating state
  • transistor output — unit bypassed

Typical Applications:
door and gate drives
pumps, ventilators, fans
conveying systems, packaging machines
transport systems, assembly lines, machine application


Options (upon request):

  • special voltages 230V and 480V
  • wide voltage range 200-480V with external control supply voltage US 230VAC (B)
  • signalling contact (M)beginning of acceleration until end of deceleration

Models:

Technical Data (standard)

VS III 400-9

VS III 400-16

VS III 400-25

VS III 400-37

VS III 400-45

Reted device current

9A

16A

25A
37A
45A

Motor rating at Ue 400V

4kW

7,5kW

11kW

18,5kW

22kW

Rated operation voltage Ue

400V ± 10% 50/60Hz

Control supply voltage Us only with option B

230V ± 10% AC 50/60 Hz

Max.switching frequency at 3xIn and 5s tan 50
30
20
15
10
Max. power dissipation
- in operating related to max. starting frequency
- standby

20W
5W

20W
5W

20W
5W

20W
5W

20W
5W
I²t —power semiconductors in A²s 390
720
4000
9100
16200
Min. motor load 20% of device rating
Starting time
0,5....10s
Starting voltage
40-80%
Stopping time
0,25....10s
Restart time
200ms
Input resistance control inputs
80kOhm
Control voltage Uc 24VDC … 230VAC
Contact rating of relay outputs RA1/RA2 2A / 250VAC / 30VDC
Contract rating of transistor output 20mA / 30VDC
Installation class 3
Overvoltage category / pollution degree:
control and auxiliary circuit
main circuit

II / 2
III (TT / TN-systems) / 2
Rated impulse strength Uimp:
control and auxiliary circuit
main circuit

2,5kV
4kV
Cross-sectional area for connection:
control terminals
power terminals

1,5mm²
6mm²

1,5mm²
16mm²
Max tightening torque
control / power terminals
spring-loaded terminals
Ambient / storage temperature 0°C ... 45°C up tp an altitude of 1000m / -25°C ... 75°C
Weight 1100g

Order number

2S500.40009 2S500.40016 2S500.400252S500.400372S500.40045
Special voltages (optional) 230V / 480V / wide voltage range 200-480V with external control voltage 230VAC

Dimensions:


Connection Diagram: